minolta xd7

Conseils pour la réparation et l'entretien du matériel photographique.
Répondre
lemy
Messages : 19
Enregistré le : samedi 30 octobre 2010 18:21
Localisation : Figeac

minolta xd7

Message par lemy »

Bonjour,
un souci me chatouille :
mon minolta xd7 fonctionne correctement à toutes les vitesses et dans tous les modes, par contre les led de la cellule ne s'allument qu'après avoir enclenché.
Donc quand j'appuie sur le déclencheur sans avoir enclenché, rien ne se passe dans le viseur.
J'ai mis des piles neuves mais ca ne change rien.
Auriez vous une idée ?
Merci d'avance
Avatar du membre
clicklak
Super Gourou
Super Gourou
Messages : 2450
Enregistré le : samedi 17 janvier 2009 22:21
Localisation : 43 St Just Malmont

Re: minolta xd7

Message par clicklak »

Qu'entends-tu par enclencher ? Tu veux dire armer l'appareil ?
lemy
Messages : 19
Enregistré le : samedi 30 octobre 2010 18:21
Localisation : Figeac

Re: minolta xd7

Message par lemy »

Oui ! armer ! je cherchais le mot, merci
lemy
Messages : 19
Enregistré le : samedi 30 octobre 2010 18:21
Localisation : Figeac

Re: minolta xd7

Message par lemy »

Donc, normalement, armé ou pas, les leds de la cellule devraient s'allumer quand j'appuie sur le bouton, non ?
Avatar du membre
clicklak
Super Gourou
Super Gourou
Messages : 2450
Enregistré le : samedi 17 janvier 2009 22:21
Localisation : 43 St Just Malmont

Re: minolta xd7

Message par clicklak »

Désolé mais je ne connais pas intimement le XD-7 mais sur le X 700 par exemple, on a pas besoin d'armer pour faire fonctionner le système de mesure. Je te dirai simplement que si ça fonctionne comme ça, c'est pas la peine de se prendre la tête, tant que ton appareil expose correctement. As tu fait un film d'essai ?
Avatar du membre
clicklak
Super Gourou
Super Gourou
Messages : 2450
Enregistré le : samedi 17 janvier 2009 22:21
Localisation : 43 St Just Malmont

Re: minolta xd7

Message par clicklak »

Normalement, sur la plupart des appareils, la cellule fonctionne même si l'appareil n'est pas armé
lemy
Messages : 19
Enregistré le : samedi 30 octobre 2010 18:21
Localisation : Figeac

Re: minolta xd7

Message par lemy »

merci pour ta réponse,
oui la cellule est bonne et je me sers de cet appareil depuis un bout de temps sans problème, mais là du coup, je me demande si c'est le début de la fin de son électronique, ou simplement un faux contact tout bete...
Avatar du membre
janot
Super Gourou
Super Gourou
Messages : 2610
Enregistré le : mardi 13 mars 2007 19:37
Localisation : avant l'Alsace, maintenant Marseille...Allez l'OM ;o)

Re: minolta xd7

Message par janot »

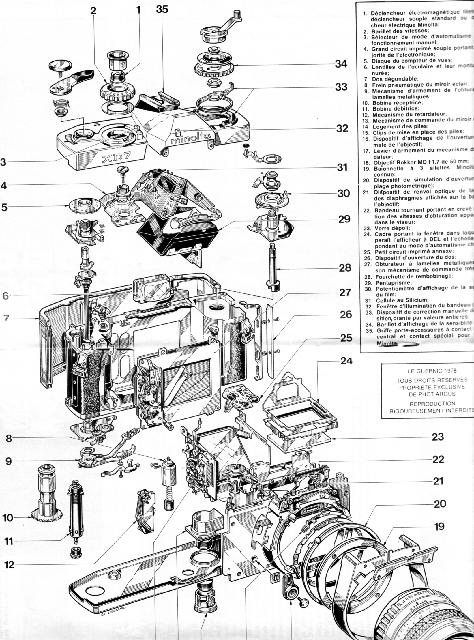
Je pense plutot à un pb de contacts, la mise en fonctionnement de la cellule se fait par un léger appui sur le déclencheur pour le XD7, armé ou non armé et il y a 3 micro switchs qui s'enclenchent les uns après les autres quand on presse le bouton... Tu n'as pas essayé avec un déclencheur souple ?

Pour la fin de son électronique il ne faut pas s'affoler, ces appareils sont très fiables électroniquement (j'en ai quatre) et tiennent très bien la route... Un petit nettoyage des contacts ne leur fait pas de mal après 30 ans de service !

Voir ceci : Image

et ceci : Image

Oups ! un peu grand mais bon...
lemy
Messages : 19
Enregistré le : samedi 30 octobre 2010 18:21
Localisation : Figeac

Re: minolta xd7

Message par lemy »

merci janot, tu me rassures là,
par contre, quand tu parles de nettoyage de contact, peux tu me dire comment tu ferais la chose et si ca te parait faisable par un mecanicien du dimanche comme moi ?
C'est plutot une histoire de soudure partie ou de poussières mal placées ?
Désolé pour ma naiveté !!
Avatar du membre
Osborne
Super Gourou
Super Gourou
Messages : 2825
Enregistré le : jeudi 10 mai 2007 19:15
Localisation : la biosse

Re: minolta xd7

Message par Osborne »

tu vas dans un magasin de bricolage ou d'électronique et tu demandes une bombe "anti-crach". Tu pulvérise un coup sur le déclencheur, sur la bague de sélection de vitesse. C'est ainsi que j'ai ressuscité mon Leïca R4.
Avatar du membre
janot
Super Gourou
Super Gourou
Messages : 2610
Enregistré le : mardi 13 mars 2007 19:37
Localisation : avant l'Alsace, maintenant Marseille...Allez l'OM ;o)

Re: minolta xd7

Message par janot »

Oui mais sans trop en mettre, car le remède peut parfois être pire que le mal si on "inonde"...

Le mieux reste quand même le démontage partiel : il suffit d'enlever le capot du dessus : il faut quelques "bons" tournevis d'horloger, de l'alcool dénaturé ou pharmaceutique, des batons nettoie oreilles (pour le coton), un endroit calme, une feuile blanche et de la patience :
Commencer par la petite vis à l'arrière, à coté de l'obturateur d'oculaire.
Puis les deux à l'avant qui tiennent la petite plaquette avec la loupe carrée (renvoi du diaph dans la viseur).
Ensuite le bouton de rembobinage, le dévisser en bloquant la partie basse (dos ouvert) avec un tournevis. Laisser la tige relevée pour pouvoir ouvrir le dos. On peut enlever celui ci mais attention de ne pas appuyer sur les lamelles de l'obturateur par erreur!
Dévisser l'écrou qui maintien le rotacteur des ASA, avec un "spanner" ou deux petits tournevis plats.
enlever les couronnes, l'ecrou/rondelle, le levier de correction d'expo et la couronne plastique inférieure.
Puis passer au coté droit :
dévisser le cache sur l'axe du levier d'armement avec une petite pince en protégeant les mors par un chiffon (pour ne pas rayer le chrome).
Il y a une rondelle canellée, la mettre de coté puis enlever le levier et enfin le ressort et l'écrou (comme plus haut pour le rotacteur ASA).
Enfin, s'occuper du déclencheur : placer la vitesse sur 1000 ou B (en butée d'un coté ou de l'autre) dévisser la corolle chromée et retirer le bouton du déclencheur, la couronne des vitesses et la rondelle.
A ce stade on peut doucement dégager le capot, en tirant alternativement de chaque coté, il est parfois un peu collé mais doit venir !

On se retrouve comme sur la photo plus haut : la petite plaque ronde noire au milieu du déclencheur est à retirer délicatement, il y a un axe vertical : c'est là qu'il faut envoyer un coup de bombe à contacts car les switches sont au fond du puits.
On en profite pour nettoyer les pistes à coté (sélecteur de modes) sans abimer le curseur à lamelles multiples, on peut aussi nettoyer la piste de sensibilité ASA à gauche...
Ne pas tripoter les petits potars cermet sur le circuit du prisme, on fait du nettoyage, pas du déréglage !

Opérer à l'envers pour tout remonter !
J'ai oublié de dire qu'il est préférable de bien séparer les éléments démontés dans des petites boites...
Surtout, ne pas se presser, bien réfléchir, rester calme ! :wink:
lemy
Messages : 19
Enregistré le : samedi 30 octobre 2010 18:21
Localisation : Figeac

Re: minolta xd7

Message par lemy »

Merci beaucoup osborne et janot, je vais me pencher sur vos solutions.
En sachant que ma paresse m'oriente plutot vers la bombe miracle..
Je vais voir.!
Répondre

Retourner vers « Dépannage, entretien, réparation et outillage photographique »