Bonjour,
Je viens de changer la pile d'un spotmatic 2 pour un ami.
L'appareil n'a plus fonctionné depuis x années.
La pile semble compatible, c'est une RENATA 344 SR1136SW .
Lorsque je veux faire une lecture avec la cellule l'aiguille reste bloquée vers le bas et ne bouge pas en fonction de la lumière.
Pensez vous que la cellule soit hors d'usage ?
Cellule Pentax Spotmatic II en panne ?
-
kor
- Messages : 12
- Enregistré le : jeudi 09 octobre 2014 13:21
- Localisation : HYERES (Var)
- xXx
- Membre de l'association

- Messages : 10156
- Enregistré le : vendredi 30 novembre 2007 15:09
- Localisation : Bxl-Schrbk
Re: Cellule Pentax Spotmatic II en panne ?
peut-être un mauvais contact ou une soudure qui a laché à l'intérieur.
-
Gobs
Re: Cellule Pentax Spotmatic II en panne ?
Plein de petites choses peuvent subvenir
Les plus simples:
- Est-ce que la pile est installée dans le bon sens? (marche pas sinon...)
- Est-ce que le poussoir (à gauche de la monture) est bien remonté à fond avec le doigt? (contact en fin de course)
- Est-ce que les plots de contacts de la pile sont propres?
Euh... Après c'est davantage d'expertise...
Ca peut être en réalité tellement de choses que c'est très difficile de dire "comme ça"
Bonne chance!

Les plus simples:
- Est-ce que la pile est installée dans le bon sens? (marche pas sinon...)
- Est-ce que le poussoir (à gauche de la monture) est bien remonté à fond avec le doigt? (contact en fin de course)
- Est-ce que les plots de contacts de la pile sont propres?
Euh... Après c'est davantage d'expertise...
Ca peut être en réalité tellement de choses que c'est très difficile de dire "comme ça"
Bonne chance!
- joelc
- Membre de l'association

- Messages : 3052
- Enregistré le : mardi 13 décembre 2011 17:52
- Localisation : Morges, Suisse
- Contact :
Re: Cellule Pentax Spotmatic II en panne ?
L'aiguille est vraiment "coincée" en bas? Tourne la pile, dans mes souvenirs elle se met à l'envers dans le compartiment (le - en haut).
-
kor
- Messages : 12
- Enregistré le : jeudi 09 octobre 2014 13:21
- Localisation : HYERES (Var)
Re: Cellule Pentax Spotmatic II en panne ?
Oui j'ai essayé d'inverser la polarité.
Pile dans un sens aiguille bloquée en bas, pile dans l'autre sens aiguille bloquée vers le haut.
Le poussoir sur la monture à l'air de fonctionner puisque l'aiguille descend complètement quand je l'active. Après le déclenchement l'aiguille reprend une position médiane mais ne varie toujours pas avec la lumière.
Les contacts de la pile sont propres.
Pile dans un sens aiguille bloquée en bas, pile dans l'autre sens aiguille bloquée vers le haut.
Le poussoir sur la monture à l'air de fonctionner puisque l'aiguille descend complètement quand je l'active. Après le déclenchement l'aiguille reprend une position médiane mais ne varie toujours pas avec la lumière.
Les contacts de la pile sont propres.
- Oriu
- Membre de l'association

- Messages : 36231
- Enregistré le : lundi 21 avril 2008 18:37
- Localisation : 37 mais 2A par le coeur
Re: Cellule Pentax Spotmatic II en panne ?
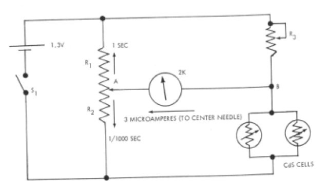
le circuit de la cellule est assez simple si c'est comme sur le SP, il y a 4 composants, les 2 cellules CdS, une résistance de réglage, le galvanomètre et la résistance variable couplée aux vitesses au au ASA (c'est la même)
Si l'aiguille bouge c'est que le galvanomètre est raccordé au potentiomètre vitesse/asa, par contre si l'un des fils qui va aux Cds est coupé il y a un courant permanent qui fait dévier l'aiguille.

Si l'aiguille bouge c'est que le galvanomètre est raccordé au potentiomètre vitesse/asa, par contre si l'un des fils qui va aux Cds est coupé il y a un courant permanent qui fait dévier l'aiguille.

-
kor
- Messages : 12
- Enregistré le : jeudi 09 octobre 2014 13:21
- Localisation : HYERES (Var)
Re: Cellule Pentax Spotmatic II en panne ?
Il va falloir que j'ouvre la bête alors.
Il y a un tuto qui traine quelque par, sinon je chercherai sur le net.
Il y a un tuto qui traine quelque par, sinon je chercherai sur le net.