Equivalent du Nikon Fm2 en Leica R ou SL?
-
Xenophon
- Gourou

- Messages : 681
- Enregistré le : dimanche 15 octobre 2023 13:20
Re: Equivalent du Nikon Fm2 en Leica R ou SL?
Je l'avais remarqué !
- Oriu
- Membre de l'association

- Messages : 36659
- Enregistré le : lundi 21 avril 2008 18:37
- Localisation : 37 mais 2A par le coeur
Re: Equivalent du Nikon Fm2 en Leica R ou SL?
Probablement pas, il avait été repris à paris c'était peut en 1981 ou 82 ??numérix a écrit : samedi 14 mars 2026 12:42j'ai acheté un M4-2 en 1989 chez ciné photo réparation vers la place de la résistance, c'est peut-être le tien ?Oriu a écrit : vendredi 13 mars 2026 9:13 jeune salarié célibataire logeant en foyer je me suis une folie j'ai acheté un Leica M4-2 et lors d'un séjour à Paris je suis allé voir si je pouvait trouver un Summilux 1,4/35, je suis rentré dans la boutique Leica, je n'avais pas les codes le gars m'a envoyé baladerdu coups j'avais pris commande chez Photo ciné du cirque, au bout de plusieurs mois d'attente j'ai annulé ma commande, car aucun délais n'était évoqué, suite à ça j'avais pris un cron de 50 d'occasion, un an après j'ai revendu ça, car je n'accrochais pas ! et avec le petit pécule j'avais acheté un Pentax 6x7 d'occasion.
Petit pécule car mon Leica avait un poc sur le dessus et le télémètre décalé, à cause d'un choc entre un FM et ce Leica.
Le FM allait très bien lui![]()
![]()
- Oriu
- Membre de l'association

- Messages : 36659
- Enregistré le : lundi 21 avril 2008 18:37
- Localisation : 37 mais 2A par le coeur
Re: Equivalent du Nikon Fm2 en Leica R ou SL?
Pour revenir au sujet , je n'ai jamais eu de R6.2 en main mais mon ressenti à travers les avis de l'époque c'est que la visée est probablement meilleure que celle du FM2, car je pense que Leica a profité des avancés de Minolta sur les verres de visée, ensuite je pense que le R6.2 est moins sec au déclenchement, les optiques sont superlatives si on peut se les payer, et le R6.2 est plus récent 1992 alors que le FM2 à partir 1981
- numérix
- Super Gourou

- Messages : 8837
- Enregistré le : lundi 10 avril 2006 20:37
- Localisation : pas loin de Tours
- Contact :
Re: Equivalent du Nikon Fm2 en Leica R ou SL?
le FM2 a un bruit à chier, pas comme le FM plus .. enfin moins... bref ! vous voyez ce que je veux dire comme le claquement d'une portière de berline française vs allemande
ce bruit plus sec et plus aigu certainement due à la vitesse de translation plus grande sur le FM2
ce bruit plus sec et plus aigu certainement due à la vitesse de translation plus grande sur le FM2
- Oriu
- Membre de l'association

- Messages : 36659
- Enregistré le : lundi 21 avril 2008 18:37
- Localisation : 37 mais 2A par le coeur
Re: Equivalent du Nikon Fm2 en Leica R ou SL?
il y a eu plusieurs variantes du FM2, avec d'abord les lamelles de l'obturateur en Titane et après en alliage d'Aluminium, je ne sais pas si les deux était aussi sec au déclenchement ? le R6.2 a un obturateur plus calme avec une synchro X au 1/100, 2,5x moins rapide que le FM2
- FRISCO
- Super Gourou

- Messages : 4774
- Enregistré le : mercredi 18 juillet 2012 16:52
- Localisation : CARRÉMENT À L'OUEST
- Contact :
Re: Equivalent du Nikon Fm2 en Leica R ou SL?
Alors très franchement j'ai deux FM2n un noir tardif donc un des plus récent et un FM2/T un poil plus antérieur.
Même obtu en théorie pas le même sont mon noir plus tardif est beaucoup plus discret dans sa sonorité.
Même obtu en théorie pas le même sont mon noir plus tardif est beaucoup plus discret dans sa sonorité.
- lepetitpiero
- Super Gourou

- Messages : 2181
- Enregistré le : jeudi 13 juin 2013 22:14
- Localisation : 26 - Drôme
- Contact :
Re: Equivalent du Nikon Fm2 en Leica R ou SL?
- ilford_X
- Membre de l'association

- Messages : 3982
- Enregistré le : mardi 07 octobre 2008 5:36
- Localisation : Royaume du Bas Groland
Re: Equivalent du Nikon Fm2 en Leica R ou SL?
Ah oui sans miroir c'est tout de suite plus discret.
Pour avoir eu le FM2 et le F3 très franchement jamais fait gaffe au son du déclenchement, tant que ça fonctionne et que tout le monde te regarde pas c'est bon
Pour avoir eu le FM2 et le F3 très franchement jamais fait gaffe au son du déclenchement, tant que ça fonctionne et que tout le monde te regarde pas c'est bon
-
Xenophon
- Gourou

- Messages : 681
- Enregistré le : dimanche 15 octobre 2023 13:20
Re: Equivalent du Nikon Fm2 en Leica R ou SL?
lepetitpiero, sur le Leica R6-2, voir cet article :
https://casualphotophile.com/2020/03/30 ... mish-gill/
https://casualphotophile.com/2020/03/30 ... mish-gill/
- Oriu
- Membre de l'association

- Messages : 36659
- Enregistré le : lundi 21 avril 2008 18:37
- Localisation : 37 mais 2A par le coeur
Re: Equivalent du Nikon Fm2 en Leica R ou SL?
Concernant la pondération de la cellule du FM2, je n'ai pas trouver de mesure sur le FM2, mais dans mes archives j'ai trouvé celles du FE, à priori elles doivent être identiques, je me permet de reproduire les mesures car la revue n'existe plus depuis bien longtemps (Photo-revue de Dec 1977).

Au sujet du bruit, mon FM qui date probablement de 1977 ou 78 à une résonnance d'un ressort en fin de cycle de déclenchement, il aurait besoin d'une révision dans un monde parfait ! mais comme à part ça il fonctionne bien
on entend un peu sur cette vidéo de comparaison FM2/FM https://imgur.com/a/TXTr0V2

Au sujet du bruit, mon FM qui date probablement de 1977 ou 78 à une résonnance d'un ressort en fin de cycle de déclenchement, il aurait besoin d'une révision dans un monde parfait ! mais comme à part ça il fonctionne bien
on entend un peu sur cette vidéo de comparaison FM2/FM https://imgur.com/a/TXTr0V2
- phildu24
- Membre de l'association

- Messages : 5971
- Enregistré le : jeudi 17 janvier 2008 16:49
- Localisation : Le Perigord Blanc ( et Noir...)
Re: Equivalent du Nikon Fm2 en Leica R ou SL?
J'ai ex-ac-te-ment le même bruit avec mon STX2 qui redeviendrait un "bon" boitier si je trouvais comment résoudre ce problème de "quincaille"...Oriu a écrit : dimanche 15 mars 2026 6:06Au sujet du bruit, mon FM qui date probablement de 1977 ou 78 à une résonnance d'un ressort en fin de cycle de déclenchement,
Ce doit être encore plus agaçant avec un Nikon...
- Oriu
- Membre de l'association

- Messages : 36659
- Enregistré le : lundi 21 avril 2008 18:37
- Localisation : 37 mais 2A par le coeur
Re: Equivalent du Nikon Fm2 en Leica R ou SL?
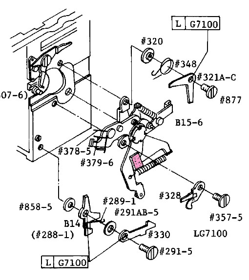
j'ai fouillé le manuel d'atelier du FM, et je vois qu'il y a une mousse pour amortir les vibrations d'un ressort du mécanisme du miroir
Pour y accéder il faut sortir la cage du miroir, ça fait beaucoup pour cette petite résonnance.
j'ai colorié la petit mousse

Pour y accéder il faut sortir la cage du miroir, ça fait beaucoup pour cette petite résonnance.
j'ai colorié la petit mousse

- Oriu
- Membre de l'association

- Messages : 36659
- Enregistré le : lundi 21 avril 2008 18:37
- Localisation : 37 mais 2A par le coeur
Re: Equivalent du Nikon Fm2 en Leica R ou SL?
ça vous dit ! moi je ne me lance pas la dedans, alors que c'est une opération fréquente pour un réparateur
ça serai bien de faire faire une vidange graissage et de temps en temps !

ça serai bien de faire faire une vidange graissage et de temps en temps !

- lepetitpiero
- Super Gourou

- Messages : 2181
- Enregistré le : jeudi 13 juin 2013 22:14
- Localisation : 26 - Drôme
- Contact :
Re: Equivalent du Nikon Fm2 en Leica R ou SL?
Mon Fm2 fait plus le bruit du FM sur la vidéo... peut-être qu'une révision serait la bienvenue.
- Oriu
- Membre de l'association

- Messages : 36659
- Enregistré le : lundi 21 avril 2008 18:37
- Localisation : 37 mais 2A par le coeur
Re: Equivalent du Nikon Fm2 en Leica R ou SL?
Les deus mécaniques ont beaucoup de points communs, la grosse différence étant l'obturateur, pour le reste je pense que ce ressort du mécanisme du miroir est le même avec la mousse qui doit avec le temps se désagréger et ne plus amortir la vibration du ressort.
Un feutre mou aurait été plus durable
Un feutre mou aurait été plus durable
- phildu24
- Membre de l'association

- Messages : 5971
- Enregistré le : jeudi 17 janvier 2008 16:49
- Localisation : Le Perigord Blanc ( et Noir...)
Re: Equivalent du Nikon Fm2 en Leica R ou SL?
Effectivement,.... et si j'ai bien lu l'éclaté puis la photo....Oriu a écrit : lundi 16 mars 2026 7:13 (...) je pense que ce ressort du mécanisme du miroir est le même avec la mousse qui doit avec le temps se désagréger et ne plus amortir la vibration du ressort. Un feutre mou aurait été plus durable![]()

je vais essayer de trouver un éclaté du STX2....
Phildu - Téméraire
- Oriu
- Membre de l'association

- Messages : 36659
- Enregistré le : lundi 21 avril 2008 18:37
- Localisation : 37 mais 2A par le coeur
Re: Equivalent du Nikon Fm2 en Leica R ou SL?
En zoomant sur la capture vidéo, on voit les restes de mousse qui forme une mélasse sur le ressort et derrière

